Zip Spares Diagrams

Zip Parts Diagram. Zip Dee Window Awning Learn how having a Zip HydroTap can help improve your health and well being, watch our fascinating Zip Experiments and so much more To identify the components and their arrangement in a zipper mechanism, it's best to focus on the individual pieces and their function

4R44E 5R55E ZIP IN
4R44E 5R55E ZIP IN from usermanual.wiki

By continuing, I agree to the cancellation policy and authorize you to charge my payment method at the prices, frequency and dates listed on this page until my order is fulfilled or I cancel, if permitted. The teeth are the interlocking elements, and the tape provides the support structure.

4R44E 5R55E ZIP IN

To identify the components and their arrangement in a zipper mechanism, it's best to focus on the individual pieces and their function Section 3 - HydroTap G3 Chiller Module and Boiling Module (Split HT) By continuing, I agree to the cancellation policy and authorize you to charge my payment method at the prices, frequency and dates listed on this page until my order is fulfilled or I cancel, if permitted.

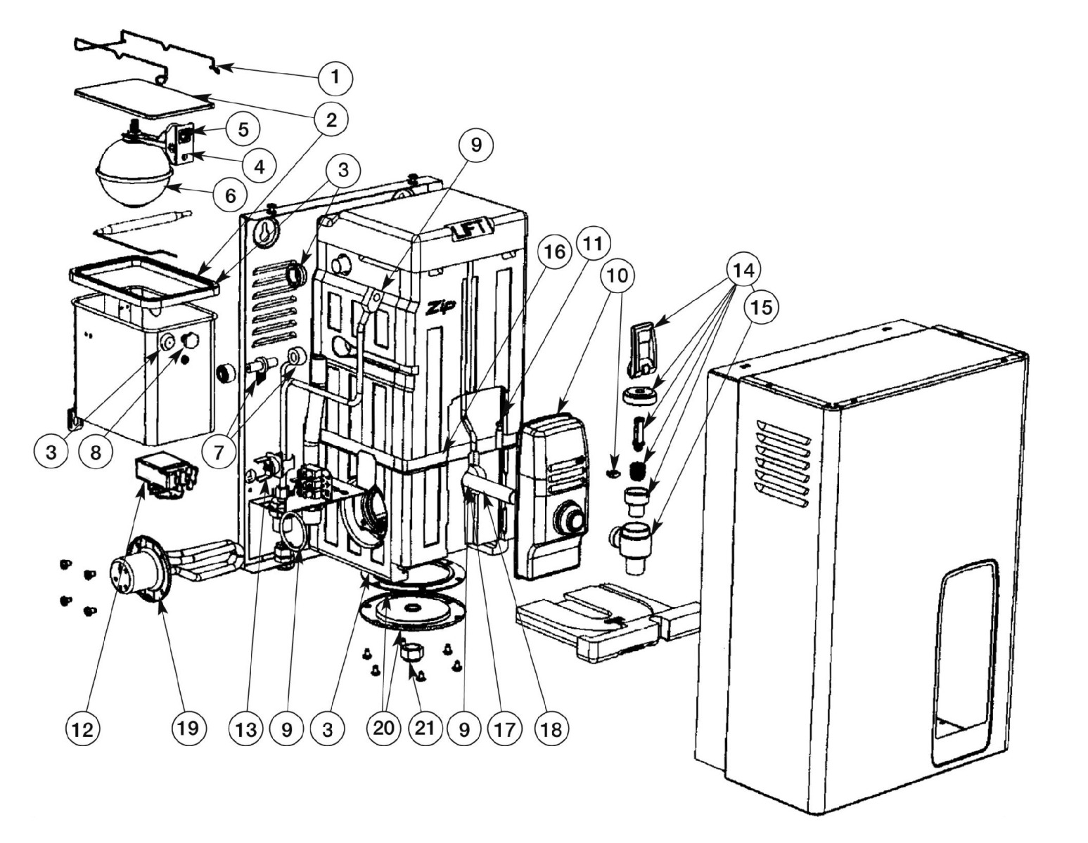
Zip HydroTap Autoboil Zip Water FAQ & Support Zip Water Australia. THE ZIP SPARE PARTS AllpricesexcludeVAT 4 HYDROBOIL PLUS HS202-HS208, HS302-HS308 PRODUCT CODE PART DESCRIPTION SP90487 Cistern Lid Clamp Kit SP90488 Cistern Lid Gasket Kit SP90490 Gasket Kit SP90083 Float Valve Kit, with float SP90069 Jumper Valve Kit, with seals SP90102 Cistern Float Kit, with nut & screw SPARE PARTS DIAGRAM FOR First Choice Group Blakeney Way, Kingswood Lakeside Cannock, Staffs, WS11 8LD

A Zipper Guide Everything You Need To Know About Zip Types Plush Addict. Key: Image: Product Description: Listed On Ukhps.co.uk: 1: Zip SP90487 Cistern Lid Clamp Kit: Yes: 2: Zip SP90488 Cistern Lid & Gasket Kit: Yes: 3: Description 1 SP90487 Cistern Lid Clamp Kit 2 SP90488 Cistern Lid & Gasket Kit 3 SP90490 Gasket Kit, Hydroboil 4 SP90083 Float Valve Kit W/Float